X-1620NL SMT信號隔離變壓器iNRCORE
發布時間:2024-10-31 09:02:02 瀏覽:2521

iNRCORE X-1620NL是一款專為惡劣環境設計的小尺寸信號隔離表面貼裝(SMT)變壓器,具備以下特點:
主要特點:
高隔離電壓:至少3kVrms。
寬工作溫度范圍:從-55°C至+125°C。
耐用材料:錫/鉛結構。
濕度敏感性等級:3級。
電氣規格:
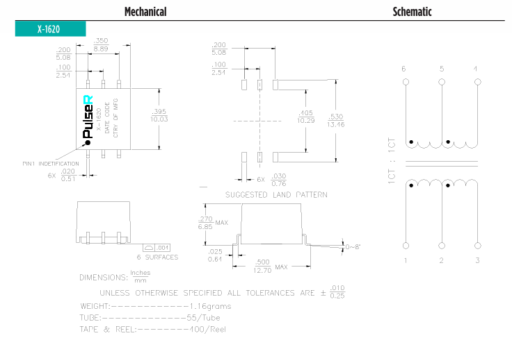
匝比:1CT:1CT,初級與次級匝比精度為±2%。
初級電感:至少1mH。
直流電阻(DCR):最大0.8Ω。
漏感:最大1.2mH。
繞組間電容(Cww):最大25pF。
初級電容(Cd Pri @ 10MHz):最大10pF。
引腳配置:1-3。
物理特性:
重量:1.16g,輕巧設計,便于集成。
尺寸:10.03 × 8.89 × 6.85mm,小巧尺寸適合空間受限的應用。
這款X-1620NL變壓器在耐高溫、抗濕性以及高電壓隔離性能方面表現卓越,非常適合需要高環境適應能力的應用場景,如工業控制、汽車電子和通信設備。

相關推薦:
推薦資訊
HOLT IC是航天工業集成電路的技術領先供應商。20多年來,HOLT IC始終為全球商業服務和國防軍事用戶生產制造數據總線和顯示驅動器。從F-16到a-350,HOLTIC是航空控制、導航、發動機管理、通訊、安全設備和機載娛樂系統的核心。超過400家航空電子設備制造商依靠HOLT IC安全可靠的客戶服務記錄、無與倫比的產品質量和成本效益及其卓越的技術應用保持其產品技術領先地位。
Ampleon作為全球領先的射頻功率半導體解決方案提供商,依托NXP近60年在射頻功率領域的技術與經驗積累,為無線通信、廣播等多領域提供高性能射頻功率產品,廣泛應用于5G基礎設施等場景,彰顯卓越實力與廣泛影響力。主要用于1.3GHz頻率的粒子加速器等高功率射頻應用。
在線留言