Torex XCL232系列同步降壓微型DC/DC轉換器
發布時間:2024-11-18 08:49:18 瀏覽:1206
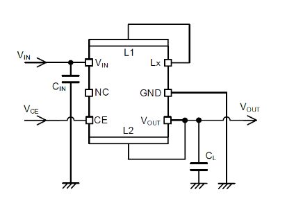
Torex公司的XCL232系列為同步降壓微型DC/DC轉換器,集成電感器與控制IC。采用超低電流消耗電路和PFM控制技術,封裝集成IC和線圈,僅需兩個外部電容器就能配置電源。該系列具備超低功耗電路,輸出電壓范圍為0.5V - 3.6V,有內部欠壓鎖定(UVLO)功能,還帶有D型輸出電容器放電功能。

應用
- 智能電表
- 低功耗射頻設備
- 傳感器模塊
- 可穿戴設備等多種設備
產品特點
輸入電壓:1.8V - 6.0V
輸出電壓設置:0.5V - 1.9V(0.05V增量)、2.0V - 3.6V(0.1V增量)
輸出電壓精度:±20mV(VOUT ≤ 1.0V)、±2.0%(VOUT>1.0V)
輸出電流:150mA
待機電流:200nA(VOUT = 1.8V)
控制模式:PFM控制
效率:86%(特定條件下)
放電功能:D型電容器放電
保護功能:UVLO
封裝:CL - 2025 - 03(2.5x2.0x1.04mm)
Torex特瑞仕XCL系列PoL非隔離電源模塊可用Cyntec電源模塊進行替代,具體替代方案可咨詢立維創展。
推薦資訊
RECOM RPX-1.5Q 是一款符合 AEC-Q100 標準的車規級降壓轉換器模塊,采用緊湊型 3 mm x 5 mm x 1.6 mm QFN 封裝,適用于汽車電子和高可靠性應用。其輸入電壓范圍為 4 VDC 至 36 VDC,輸出電壓范圍為 0.8 VDC 至 30 VDC,最大輸出電流為 1.5 A,工作溫度范圍為 -40°C 至 +125°C,具備短路保護、過流保護、過溫保護和欠壓鎖定等多種保護功能,并支持使能、電源良好、軟啟動和同步功能,廣泛應用于汽車電子系統、工業控制系統和高可靠性嵌入式設備。
2023年以來,TOREX XC9704交期拉長、價格漲幅超35%,Cyntec在2024 Q4推出MUN3CAD03系列以作替代。文中對比了XC9704與MUN3CAD03 - JB的關鍵指標,如輸入范圍(MUN3CAD03 - JB輸入范圍2.5 - 5.5V,覆蓋XC9704且低壓段更優)、輸出電流(MUN3CAD03 - JB輸出電流1A,裕量提升66%)等,還介紹了三步設計遷移(原理圖、PCB、認證方面)、實戰案例(某AR眼鏡客戶替換后帶來的好處)及選型速查(不同需求對應型號)。
在線留言