RFCR2888嵌入式X波段同軸環形器RFCI
發布時間:2025-02-21 13:40:56 瀏覽:1290

RFCR2888是一款高性能的嵌入式X波段同軸環形器,專為需要高頻率、低損耗和高隔離度的應用設計。以下是該環形器的詳細介紹:
產品概述
RFCR2888環形器工作在X波段,頻率范圍從8000 MHz到10500 MHz,覆蓋了X波段的主要頻率。這種環形器在雷達、通信和電子對抗系統中有廣泛的應用,特別是在需要高頻率和高隔離度的場合。
機械特性
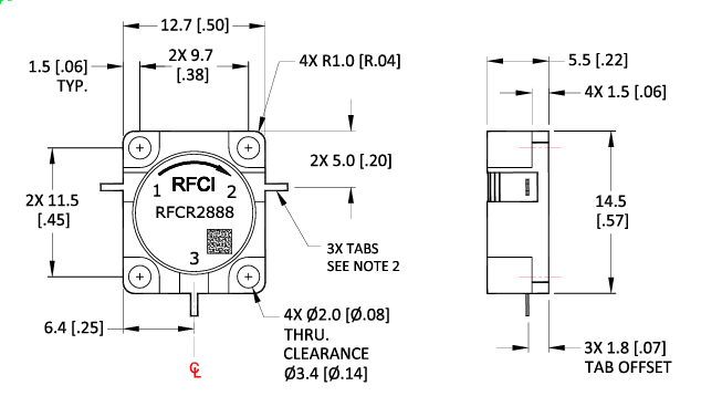
尺寸:該環形器的尺寸為12.7 mm(0.50英寸)寬,6.4 mm(0.25英寸)高,適合嵌入式安裝。
安裝:設計有4個直徑為1.5 mm(0.06英寸)的安裝孔,方便固定。
引腳:2個直徑為5.0 mm(0.20英寸)的引腳,3個引腳的偏移量為1.8 mm(0.07英寸),確保了良好的電氣連接和機械穩定性。
電氣性能
頻率范圍:8000 MHz至10500 MHz,覆蓋了X波段的主要頻率。
插入損耗:典型值小于0.35 dB,最大值0.50 dB,保證了信號傳輸的低損耗。
隔離度:最小值18 dB,典型值大于22 dB,提供了良好的信號隔離,防止信號干擾。
回波損耗:最小值18 dB,典型值大于22 dB,確保了良好的信號反射特性。
功率和溫度等級
正向功率:最大500/50瓦特,能夠承受高功率信號。
反向功率:最大35瓦特,適用于連續波(CW)操作。
工作溫度:-40至+85°C,適用于各種環境條件。
存儲溫度:-40至+95°C,確保了在極端溫度下的存儲安全。
應用
RFCR2888環形器適用于需要高頻率、低損耗和高隔離度的應用,如:
雷達系統:用于信號的分離和保護接收器。
通信系統:用于信號的隔離和方向控制。
電子對抗:用于信號的干擾和保護。
RFCI是一家專業生產射頻(RF)環行器和隔離器的公司,產品覆蓋了從50 MHz到20 GHz的頻率范圍,廣泛應用于通信和無線基礎設施。深圳市立維創展科技有限公司優勢代理銷售RFCI產品,歡迎咨詢了解。
推薦資訊
RFCR8990同軸隔離器是高性能射頻隔離器,可在射頻信號傳輸中起隔離作用,防止信號反射和干擾以提升系統性能與穩定性。其主要參數涵蓋頻率范圍12400 MHz - 18000 MHz、插入損耗典型值小于0.50 dB等多項,功率處理能力適用于高功率應用,能在 -40°C至 +85°C(工作)、 -40°C至 +95°C(存儲)的溫度環境穩定工作,適用于無線通信、雷達系統等多領域,可提高信號傳輸穩定性與可靠性。
Kuhne KU LNA BB 0011000 AA 是一款高性能低噪聲寬帶放大器,工作頻率覆蓋10 MHz至10 GHz,支持多頻段應用,提供兩種增益變體(22 dB和14 dB),具有低噪聲(典型值2.3-3 dB)、高線性度(OIP3典型32 dBm)和優異抗干擾特性。其機械設計緊湊(58×45×12 mm),支持寬電壓供電(+6V至+36V DC),適用于通信系統及精密測試場景,核心優勢包括寬帶覆蓋、增益平坦度(±1 dB/±2.5 dB)及內置反極性保護。
在線留言