Renaissance 12A4BG-40N雙定向耦合器
發布時間:2025-07-25 08:56:22 瀏覽:2060
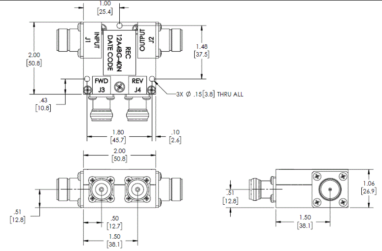
Renaissance 12A4BG-40N是一款雙定向耦合器,由 Renaissance Electronics公司生產。其工作頻率范圍為700MHz至4.2GHz,尺寸為2×2×1.06英寸,適用于測試和測量應用。


Renaissance Electronics & Communications, LLC 是一家專注于高可靠性無源和有源組件以及子系統的設計和制造公司,其產品廣泛應用于軍事和商業領域。HXI公司(已被Renaissance收購)是一家專注于射頻和微波技術的公司,主要為國防、太空和航空市場提供廣泛的產品線,包括低噪聲放大器、功率放大器、頻率倍增器、混頻器/上變頻器、波導隔離器和環行器以及PIN開關等,頻率覆蓋從18 GHz至110 GHz。深圳市立維創展科技有限公司優勢供銷Renaissance/HXI產品,歡迎咨詢了解。
推薦資訊
由于無源調諧器的調諧范圍有限,另外還受到夾具和探頭插入損耗的影響,因此主動負載拉調諧是允許測試工程師達到|Γload|=1 (RDUT=0Ω)以匹配其參考平面上任何DUT的唯一方法。在閉環主動調諧中,從被測件中提取的部分射頻功率被放大并反饋到被測件輸出端口,從而產生虛擬負載。
HS1028BF是一款高性能Ku波段PLL LNB,適用于衛星通信和廣播。其特性包括12.25-12.75 GHz輸入頻率、11.30 GHz本振頻率、低噪聲(0.8 dB)、高增益(60 dB)和優異相位噪聲性能。設備采用PLL技術,支持950-1450 MHz輸出,符合IP67防護等級,工作溫度為-40°C至+60°C,電源需求為+12至+24V DC,尺寸為110mm×42mm×42mm,重量0.3kg,適合嚴苛環境。
在線留言