Sonoma Scientific C5ST2嵌入式環行器(5.8-8.4GHz)
發布時間:2025-11-10 09:10:23 瀏覽:259
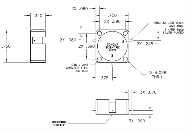
Sonoma ScientificC5ST2嵌入式環行器(5.8-8.4GHz)

電氣特性
頻率范圍:5.8 - 8.4 GHz(適用于無線通信、雷達等)
插入損耗:≤ 0.5 dB(信號損耗低)
隔離度:≥ 16 dB(端口間干擾小)
駐波比(VSWR):≤ 1.38:1(匹配良好)
功率處理:正向 50 W(平均),反向 30 W(平均)
工作溫度:-30°C 至 +85°C(寬溫適用)
旋轉方向:順時針
機械特性
尺寸:0.75" × 0.75" × 0.34"(英寸)
連接器:銅質 Tab 式
材質:鋼外殼(耐用)
表面處理:鍍鎳(防腐蝕)
適用場景:需要低損耗、高隔離度的射頻系統,如衛星通信、微波中繼等。
Sonoma Scientific是設計和制造射頻/微波鐵氧體隔離器和環行器的全球領導者,為醫療、軍事、公共安全、衛星和雷達應用領域的客戶提供服務。該公司提供從 40 MHz 到 50 GHz 的各種定制和現成解決方案。Sonoma Scientific以其高質量的微波組件而聞名,其射頻隔離器和環形器包括波導(Waveguide)、同軸(Coaxial)、混合(Hybrid)、插入式(Drop-Ins)和微帶線(Microstrip)等不同類型,深圳市立維創展科技有限公司,優勢代理銷售Sonoma產品,歡迎咨詢。
推薦資訊
Renaissance Electronics Corporation (REC)的HSWM22801-351是一款26.5-40GHz非反射式GaAs SPDT開關MMIC,具有高隔離度(≥30dB)、低插損(2.3-3.9dB)和10W功率處理能力,采用2.9mm/SMA接口,30ns快速切換,適用于毫米波通信和雷達系統。
Norsat ATOM系列GaN上變頻器(BUC)是全球最小、最輕、最節能的衛星通信發射器之一,采用氮化鎵(GaN)技術實現80W飽和功率(Psat≥49dBm),支持14.0-14.5GHz標準頻段和13.75-14.5GHz擴展頻段,具有60-70dB增益范圍和優異的增益平坦度(全頻段≤6dB)。
在線留言