Glenair FRITS4106GR20-4SB0F7工業圓形連接器
發布時間:2026-03-13 09:06:04 瀏覽:123
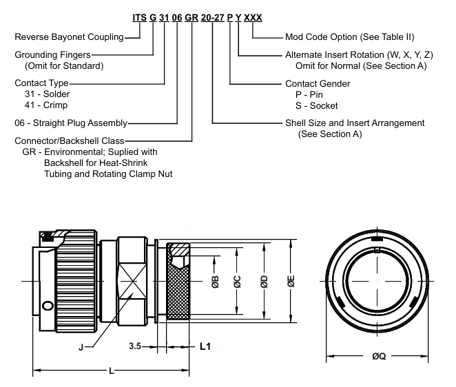
Glenair FRITS4106GR20-4SB0F7 是一款工業級 MIL-DTL-5015 標準圓形連接器,屬于 ITS 系列。該連接器采用 反向卡口鎖緊結構(Reverse Bayonet Coupling),專為惡劣環境中的電源與信號連接設計,廣泛應用于軌道交通、軍工設備、農業機械和工業自動化設備。

主要技術參數
觸點數量:4 Contacts
連接器類型:Plug(插頭)
觸點類型:Female(母觸點)
安裝方式:Cable Mount(電纜安裝)
端接方式:Crimp(壓接)
外殼尺寸:Shell Size 20
額定電流:41A
額定電壓:900V AC / 1.25kV DC
外殼材料:Aluminium Alloy
觸點材料:Copper Alloy
結構方向:Straight(直式)
工作溫度:-55°C ~ +125°C
產品結構特點
1. 快速卡口鎖緊結構
采用 1/4圈反向卡口(Reverse Bayonet)設計
連接快速可靠,抗震動能力強
2. 高可靠工業結構
鋁合金外殼
黑色鋅鈷鍍層(防腐蝕)
阻燃絕緣體
3.環境密封設計
配備電線密封墊圈
可搭配收縮套管適配器
適合惡劣環境使用
4.防誤插設計
采用 鍵控極化(Keyed Polarization)
防止錯誤連接
5.狀態指示結構
連接時具備 視覺和聲音提示,確保鎖緊到位
典型應用領域
該連接器專為高可靠性工業環境設計,常見應用包括:
·軌道交通設備(列車連接線)
·軍工與防務系統
·農業機械設備
·工業自動化設備
· 電源與信號連接系統
其堅固結構和寬溫工作范圍,使其適合 高震動、粉塵、潮濕環境使用。

Glenair連接器是全球知名的高端品牌,廣泛應用于航天航空、軍用、艦載、精密制造等場合。深圳市立維創展科技有限公司,授權代理銷售Glenair產品,并提供技術支持。歡迎咨詢。
推薦資訊
ANDON?引腳柵極插座和PGA電源適配器是高引腳數微控制器的理想選擇。ANDON提供了最廣泛的規范封裝形狀,從5x5到26x26,及其由USOM設計的PCAA插座。ANDON 適用于解決PCA插座的插接和拔出力的挑選包含獨占1盎司的極低力觸點。規范絕緣子選用耐超高溫尼龍46,適用于紅外線、熱對流和波峰焊接。自定義PGA插座提供厚玻璃epoy FR-4或聚酰亞胺制作而成的絕緣子。諸多終端和引腳長度基本都是可以使用的。
Hypertronics?獨家CVD 鉆石電阻器系列是非常小的封裝尺寸和非常高的額定功率的完美結合。這些電阻器可用于dc-30GHz應用,非常適合需要高功率容量、寬頻率響應范圍的應用,體積小、重量輕。
在線留言