Microsemi 1N3595AUR開關二極管
發布時間:2025-03-21 09:02:44 瀏覽:1692

產品概述
型號:1N3595AUR
類型:開關二極管
封裝形式:金屬化鍵合,氣密封裝,雙插頭結構(DO-213AA)
符合標準:符合 MIL-PRF-19500/241 標準
電氣特性
直流電氣特性
正向電壓(VF):
在 25°C 環境溫度下,不同正向電流(IF)下的正向電壓范圍:
1mA:0.52V - 0.70V
5mA:0.60V - 0.765V
10mA:0.65V - 0.80V
50mA:0.74V - 0.88V
100mA:0.79V - 0.92V
200mA:0.83V - 1.00V
反向漏電流(IR):
在 25°C 環境溫度下,125V 反向電壓時,反向漏電流小于等于 0.002μA
在 -55°C 環境溫度下,100V 反向電壓時,反向漏電流小于等于 150μA
在 150°C 環境溫度下,125V 反向電壓時,反向漏電流小于等于 3μA
反向擊穿電壓(VBR):
在 25°C 環境溫度下,反向擊穿電壓大于等于 100V
交流電氣特性
電容:在 0V 偏壓下,電容小于等于 8.0pF
反向恢復時間(TRR):在 10mA 正向電流和 35V 反向電壓下,反向恢復時間小于等于 3.0μs
極限參數
工作溫度范圍:-65°C 至 +175°C
存儲溫度范圍:-65°C 至 +175°C
浪涌電流:
1s 正弦波:500mA
1μs 正弦波:4A
總功耗:500mW
工作電流:在 25°C 環境溫度下,最大 150mA
直流反向電壓(VRWM):125V
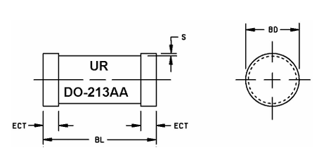
封裝尺寸
封裝類型:DO-213AA
尺寸:
長度(L):1.60mm - 1.70mm
寬度(W):3.30mm - 3.70mm
高度(H):0.41mm - 0.55mm
引腳間距(S):最小 0.03mm
設計數據
封裝:氣密封裝玻璃外殼,符合 MIL-PRF-19500/241 標準
引腳材料:銅包鋼
引腳表面處理:錫/鉛
熱阻(ZθJX):最大 70°C/W
極性:陰極端帶有標記
應用場景
1N3595AUR 適用于需要高可靠性和快速開關性能的電路,例如:
高頻開關電路
電源電路中的整流和保護
脈沖電路
軍用和航空電子設備
Microsemi 是美國高可靠性電子元器件廠商,其軍級二三級管產品,被廣泛應用于全球高端市場,深圳市立維創展科技有限公司,授權代理銷售Microsemi軍級二三級產品,大量原裝現貨,歡迎咨詢。
推薦資訊
Interpoint的FMCE-0528 EMI濾波器專為28V應用設計,符合MIL-STD-461標準,適用于軍事和航空航天領域。它支持5A電流,500kHz時衰減60dB,工作溫度范圍-55°C至+125°C,并具有低直流電阻和小尺寸封裝特點。此外,它與Interpoint的多個DC/DC轉換器系列兼容,能有效減少輸入紋波電流。
ADC-HX12BMC是DATEL公司的高性能12位模數轉換器,包括ADC-HX和ADC-HZ型號,采用混合技術確保精確可靠。ADC-HX轉換時間20微秒,ADC-HZ為8微秒。技術規格包括12位分辨率,1通道,0.05兆赫采樣率,1.1W功耗,差分非線性誤差0.75 LSB,積分非線性誤差0.5 LSB,多種輸入范圍,5V、15V和-15V電源電壓,工作溫度-55°C至+125°C。32針陶瓷TDIP封裝,適用于商業、工業和軍事溫度范圍,符合MIL-STD-883和DESC標準,確保軍事和航空航天應用的可靠性。
在線留言